您当前位置:首页 > 技术中心 > 技术中心详情
技术中心详情

安科瑞分布式光伏监控系统在上海宝钢阿赛洛激光拼焊有限公司屋顶光伏发电(二期)项目中应用

1

概述

上海宝钢阿赛洛激光拼焊有限公司屋顶光伏发电项目(二期)(以下简称“本项目”)是响应国家“优化能源结构,提供更加清洁、可靠的能源”的号召,投资建设的分布式光伏发电应用示范项目。

本项目位于上海宝钢阿赛洛激光拼焊有限公司厂区内,利用现有厂房屋顶建设分布式光伏发电项目,总建设规模约为712.8kWp。本项目投资方为上海宝钢节能环保技术有限公司,光伏发电组件位于上海市嘉定区安亭镇百安公路1369号,通过用户配电站接入公共电网,属于上海市电力公司嘉定供电公司管理范围。

本文介绍光伏电站接入系统方案的论证,系统继电保护及**自动装置、系统通信、系统调度自动化方案研究等。


图一项目现场验收图

2

现有电网情况

现有用户配电站为10kV用户变,站内3台10kV变压器,变压器容量为1250+1250+1600kVA。用户变压器通过10kV“31本4阿赛洛”线接入10kV本特开关站二段母线,再接入110kV百安10kV四段母线。现已投运光伏1200kWp。

现有供电示意图如下:

图片

图 用户配电站现供电示意图

3

新增分布式光伏设计

本项目光伏组件、支架及相关设备等安装在一二期屋面的低跨区域,邻接已安装一期光伏设备的高跨屋面。一二期产线屋面(低跨)为彩钢瓦结构,屋面板为角驰Ⅲ型结构。整个屋面跨度为55米,长189米,总面积约10000平方米。除去采光带及排气通风等设施,屋面可利用率约75%,而光伏设备的占用面积约5000平方米。

宝钢阿赛洛一二期厂房屋面原设计恒荷载标准值为0.3kN/m2,在本光伏项目中,安装光伏组件和光伏支架增加恒荷载0.13 kN/m2,经计算,屋面檩条及刚架梁柱的部分区域不满足强度及稳定性要求,需要对屋面檩条以及刚架梁柱的局部区域进行加固处理。对于屋面檩条,可通过在下方增加隅撑的方式进行加固;对于梁和柱,在不满足的区域进行两侧贴钢板加固。

图片
图片
图片

图 光伏组件示意图

在厂房东侧邻接的电气室的外侧绿化带内,将安装本项目的升压变压器及并网设备,采用箱式变电站的形式。箱式变电站占用面积约40平方米。逆变器输出的交流电升压至10kV后接入高压开关柜,再通过1回出线接入位于1期电气室的厂区进线10KV母排,在母排处拼装高压并网进线柜,实现并网。设备位置见以下示意图,布置以详细设计完成后出具的施工图纸为准。

另外在此区域内已安装有一期光伏电站的组件冲洗水箱,因此将共用冲洗水站,二期将在屋面上扩展安装冲洗管网。

图片

图 平面关系示意图

4

技术方案

本项目规模约为712.8kWp,利用厂房屋顶建设光伏发电系统,关键设备光伏组件、逆变器、变压器等采用国内知名产品。分布式光伏系统所发电量采用就地消纳,自发自用,余电上网。本项目光伏发电系统所输出的直流电经组串式逆变器转换成交流电后,就地升压至10KV,经开关柜通过1回出线接入至厂区10KV进线母线的用户侧,实现并网,供厂区负荷使用。结合用户的总厂用变压器容量(4100KVA)及一期已经并网运行的光伏系统总量(1200kW)分析,光伏并网容量不超过厂变容量的80%,再根据屋面的勘查情况考虑,确定本光伏项目的建造容量为712.8kWp为宜。

4.1. 升压变压器及高低压配电设备

本项目配备1台三相交流800KVA的干式变压器。额定电压10.5±2×2.5%/0.38kV,接线组别为 Dy11。交流频率为50Hz,可以户外使用,能效等级满足国家规范要求。

变压器一次侧接入自交流汇流柜或低压接入柜输出的线路,交流汇流柜负荷开关兼具通断保护功能,变压器二次侧输出接至10KV进回线,配备开关柜、PT柜及计量柜,采用预制舱设计安装。开关柜输出后经1回10KV高压交流电缆直接接至光伏并网进线柜,进线柜与厂区10KV进线母线拼接,利用母排连接,具体接入方式以实际设计为准。

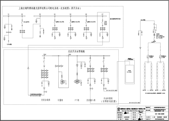
4.2. 继电保护及**自动装置

本光伏电站内主要电气设备采用微机保护,以满足信息上送。元件保护按照《继电保护和**自动装置技术规程》(GB14285-2006)配置。

1)并网线路继电保护及**自动装置

分布式光伏项目线路发生短路故障时,线路保护应快速动作,瞬时跳开相应并网点断路器,满足全线故障快速可靠切除故障的要求。安装光伏发电项目的用户变电站10kV母线应配置故障解列装置,实现频率电压异常紧急控制功能,跳开相应断路器(专用开关)。

2)防孤岛检测

分布式光伏项目逆变器需具备快速检测孤岛且监测到孤岛后立即断开与电网连接的能力,其防孤岛方案应与继电保护配置、**自动装置和低电压检测装置等相配合,时间上相匹配。该逆变器防孤岛检测策略应符合国家电网的相应规定

逆变器具备极性反接保护、短路保护、低电压穿越、孤岛效应保护、过热保护、过载保护、接地保护等。高压开关柜上装设测控保护装置,设置过电流保护、零序过电流保护。测控保护装置以通讯方式将所有信息上传至光伏本地监控系统。

本项目光伏电站在故障或异常运行状态时能够迅速断开与系统的并网连接,停止向电网送电,不会对现有系统的正常运行产生影响。

图片

图 新建光伏一次图

5

系统结构

本项目光伏电站配置一套综合自动化系统,采用安科瑞电气股份有限公司所提供的Acrel-Cloud1200分布式光伏电力监控系统具有保护、控制、通信、测量等功能,可实现光伏发电系统、开关站的全功能综合自动化管理。本项目逆变器、高低压设备等状态信号都要接入本监控系统。

本项目光伏电站监控系统包括两部分:站控层和就地层,网络结构为开放式分层、分布式结构。

监控系统通过以太网与就地层相连,就地层按照不同的功能、系统划分,以相对独立的方式分散在逆变器区域或箱变中,在站控层及网络失效的情况下,就地层仍能独立完成就地各电气设备的监测。计算机监控系统通过远动工作站GPRS公网与上海市电力公司实现数据通讯。

站控层由计算机网络连接的服务器、操作员站、远动站等组成,提供站内运行的人机界面,实现管理控制就地层设备等功能,形成全站监控、管理中心,并具备与远方控制中心通信的接口。

就地层设备由智能测控单元、网络系统通讯单元、逆变器数据采集单元、多功能电能表等构成,主要电气设备包括微机保护、防孤岛保护、电能质量在线监测装置、故障解列装置、多功能仪表、逆变器、箱变测控等设备。它直接采集处理现场的原始数据,通过网络传送给站控层监控主站,同时接收站控层发来的控制操作命令,经过**性判断、闭锁检测、同步检测等,对设备进行操作控制。

每个光伏发电单元配带无线发射功能的数据采集装置,采集每组光伏组件数据,逆变器参数,测控装置、智能计量表计的数据,打包后通过无线网络传输给监控系统实现监视。

图片

图 监控系统网络结构图

项目配置设备清单如下表所示:

表 方案设备列表

图片

6

系统功能

6.1. 光伏发电效率监测

通过现场测控单元、数据采集器采集有关信息,进行包括对数据合理性校验在内的各种预处理,实时更新数据库,其范围包括模拟量,数字量和脉冲量等。

(1)模拟量

模拟量包括电流、电压、有功、无功、频率、功率因数等电量数据和日照强度、风速、风向、温度、湿度、气压等非电量数据。

(2)数字量

数字量采集含逆变器运行状态、故障信号,开关、隔离开关以及接地刀闸的位置信号,保护动作信号、运行监视信号等。

图片

图9 实时监测主界面图

6.2. 分布式光伏电站运维管理

Acrel-Cloud1200分布式光伏电力监控系统报警处理分事故报警和预告报警。前者包括非操作引起的断路器跳闸和保护装置动作信号,后者包括一般设备变位、状态异常信息、模拟量越限/复限、计算机站控系统的各个部件、就地单元的状态异常等等。

(1)事故报警

事故报警发生时,公用事故报警器将立即发出音响报警,监控画面上用颜色改变和闪烁表示该设备变位,同时显示红色报警条文,打印机打印报警条文,数据转发装置向远方控制中心发送报警信息。事故报警通过手动或自动方式确认。

(2)预告报警

预告报警发生时,其处理方式除与事故报警处理相同外,音响和提供信息颜色可区别于事故报警。能有选择地向远方发送信息。

图片

图 报警界面图

6.3. 人机界面

能通过显示器对主要电气设备运行参数和设备状态进行监视,画面支持双屏显示,画面操作支持无级缩放,可以平滑漫游,具有导游图功能。具有网络拓扑分析功能,能对设备进行动态着色,确定带电设备的颜色。主要显示画面包括:

(1)运行监视图,包括显示设备运行状态、各主要电气量(电流、电压、频率、有功、无功)、环境数据(气温、湿度、气压、风速、风向、日照强度等)等的实时值;

(2)网络监视图,用图形方式及颜色变化显示出计算机监控系统的设备配置、连接状态;

(3)发电量实时监视图,通过柱状图及数据表直观的查看和对比每台逆变器实时发电量信息,同时可以通过链接查看和对比发电量曲线;

(4)发电单元监控图,显示每个发电单元详细信息,允许手动控制、和调节每个发电单元运行工况;

(5)各种保护信息及报表

(6)二次保护配置图,反映各套保护投切情况、整定值等

(7)控制操作过程记录及报表

(8)事故追忆记录报告或曲线、事故顺序记录报表

(9)趋势曲线图、棒状图

(10)各种统计及功能报表等。

图片

图 人机界面一次图

7

结语

分布式光伏发电系统依靠清洁、可再生的特点广泛应用,但发电量呈显著的非稳定特性,这对电力系统的稳定运行和经济效益构成了调成,因此分布式光伏项目并网时需要接受调度主站系统的调控,助力用户、电网分布式光伏高比例有序并网,强化分布式光伏的统一管控,推动分布式光伏和大电网的协调运行,搭建数据透明、调控便捷、能源互动的新型分布式新能源调度管理体系。


苏公网安备32028102003190号